Join Our Team!
Cart
0
Your cart is currently empty. Why don't you add something to it?
🔐 Please log in to view discounted prices.🏷️

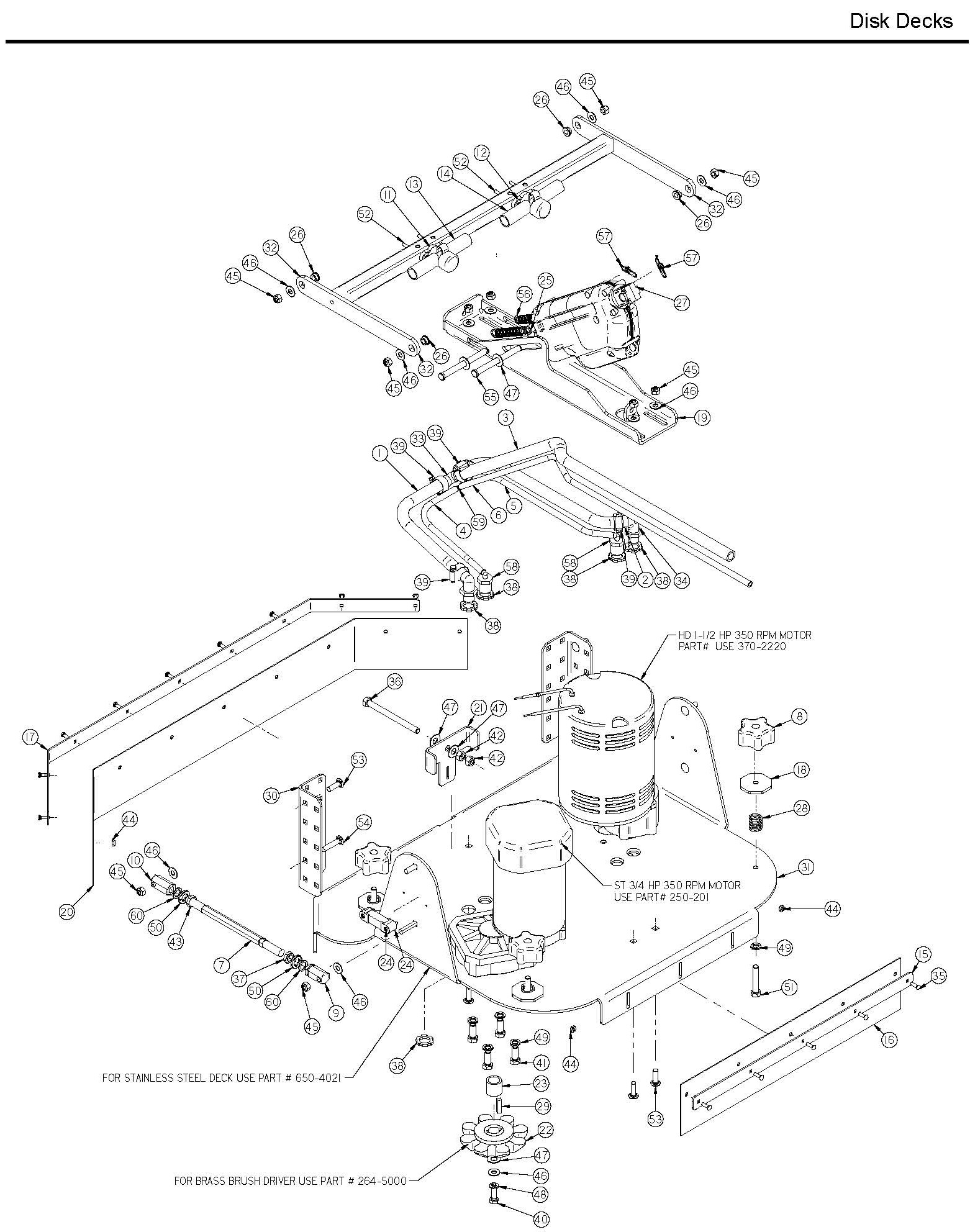
Factory Cat GTR - Disk Decks

×
GridList44 items 12
    Product Name   Item #   Price   Select Qty 
Factory Cat OEM Knob Star 3/8-16 Rubber   #8 - Factory Cat OEM Knob Star 3/8-16 Rubber FC150-5786  $13.90 
    #9 - Factory Cat OEM Adjustable Rod End LH FC150-9583  $41.00 
    #10 - Factory Cat OEM Adjustable Rod End RH FC150-9584  $41.00 
    #15 - Factory Cat OEM Band,Rear,Curtain Fits 33" Scrubdeck FC250-1077  $87.40 
    #16 - Factory Cat OEM Curtain,Rear FC250-1078  $13.30 
    #17 - Factory Cat OEM Band,Front,Curtain Fits 33" Scrubdeck FC250-1079  $181.80 
    #18 - Factory Cat OEM Knob,Shroud Adj, Red 3/8-24 Thread FC250-1084  $25.80 
    #19 - Factory Cat OEM Bracket,Scrubdeck FC250-1103  $105.00 
    #20 - Factory Cat OEM Curtain 33 Front Deck Curtain FC250-1310  $18.70 
    #21 - Factory Cat OEM Height Adjustment, Disk FC250-4022  $21.60 
Factory Cat OEM Brush Driver   #22 - Factory Cat OEM Brush Driver FC264-5003  $142.40 
    #23 - Factory Cat OEM Spacer FC264-5005  $24.00 
    #24 - Factory Cat OEM Level Bolt On 2" FC300-4030  $4.75 
    #25 - Factory Cat OEM Sleeve,Bearing FC370-1081  $9.30 
    #26 - Factory Cat OEM Bushing Flanged 3/8"idx1/2"odx 1/4" Harden Steel FC370-1247  $12.20 
    #27 - Factory Cat OEM Actuator 36V 4" 450Lbs Slo ***For Disk Units Only*** FC370-2210  $390.20 
    #28 - Factory Cat OEM Spring,Broom Lift Lever FC4-386  $8.50 
    #29 - Factory Cat OEM Key ; 1/4" X 1" FC5-431  $9.40 
    #33 - Factory Cat OEM Tee,Barb,Plastic,5/8" FC7-247  $4.75 
    #34 - Factory Cat OEM Elbow,5/8"Barbx1/2"MNPT FC7-248  $5.70 
    #35 - Factory Cat OEM Cb 10-32 X 5/8 Ss FCH-0172519  $4.75 
    #36 - Factory Cat OEM Screw,Hex Cap,3/8-16x4-1/2" Stainless,Full Thread FCH-0172940  $7.40 
    #37 - Factory Cat OEM Nut Hex Jam 1/2-20 LH FCH-0175075  $4.75 
    #38 - Factory Cat OEM Nut,Lock,1/2-14,NPT Zinc Plated Steel FCH-07005  $4.75 
    #39 - Factory Cat OEM Clamp,Hose,7/16" to 25/32" Stainless FCH-081  $4.75 
    #40 - Factory Cat OEM Hex Cap Screw, 5/16-18 X 1" , FCH-70055  $4.75 
    #41 - Factory Cat OEM Screw,Hex Cap,3/8-16x1" Stainless FCH-70105  $4.75 
    #42 - Factory Cat OEM Nut,Hex,3/8-16 Stainless FCH-70712  $4.75 
    #43 - Factory Cat OEM Nut Hex Jam 1/2-20 FCH-70834  $4.75 
    #44 - Factory Cat OEM Nylok Nut, 10-32 , Stainless FCH-70858  $4.75 
    #45 - Factory Cat OEM Nylok Nut, 5/16-18 , Stainless FCH-70861  $4.75 
    #46 - Factory Cat OEM Flat Washer, 5/16" X 3/4" FCH-71015  $4.75 
Factory Cat OEM Washer, 3/8", Stainless   #47 - Factory Cat OEM Washer, 3/8", Stainless FCH-71017  $4.75 
    #48 - Factory Cat OEM Lock Washer, 5/16", Stainless FCH-71065  $4.75 
    #49 - Factory Cat OEM Lock Washer, 3/8", Stainless FCH-71067  $4.75 
    #50 - Factory Cat OEM Washer Split Lock 1/2" FCH-71071  $4.75 
    #51 - Factory Cat OEM Screw, Hex Cap, 3/8-16x2-1/2" Stainless, Full Thread FCH-71190  $4.75 
    #52 - Factory Cat OEM Screw,PPHM,#10-32x2" Stainless FCH-72556  $4.75 
    #53 - Factory Cat OEM Bolt,Carriage,5/16-18x1" Stainless FCH-74430  $4.75 
    #54 - Factory Cat OEM Cb 5/16-18 X 1-1/2 Ss FCH-74432  $4.75 
44 items 12